36+ Massey Ferguson 231S Parts Diagram
There are 10 parts used by this model. Web Wheel hubs bearing cones and cups hub caps complete hub assemblies front tires and tubes wheel bearings seals bolts miscellaneous wheel parts.
Massey Ferguson 231s 241 Tractors Turkey Service Parts Catalogue Manual Part Number 1637379 Service Repair Manual
Use this page to find parts you need to complete your repairrestoration of your tractor.

. Web MF Industrial - Fits. Whether it is a vintage or a modern. 135 UK models only - Engine serial number.
Web Exploded Parts Diagrams for Massey Ferguson. Pressure Plate - For Massey Ferguson tractor models 231 231S 240 sn N01001-earlier 240 sn N01001-A20286 240P 250 Used w8-Speed Transmission 261. Web Search for Your Massey Ferguson Model.
We have a huge collection of Massey Ferguson 231S parts available including genuine and aftermarket parts. Web Massey Ferguson 231S parts and spares. Web AGCO Parts are the genuine replacement parts for your Massey Ferguson.
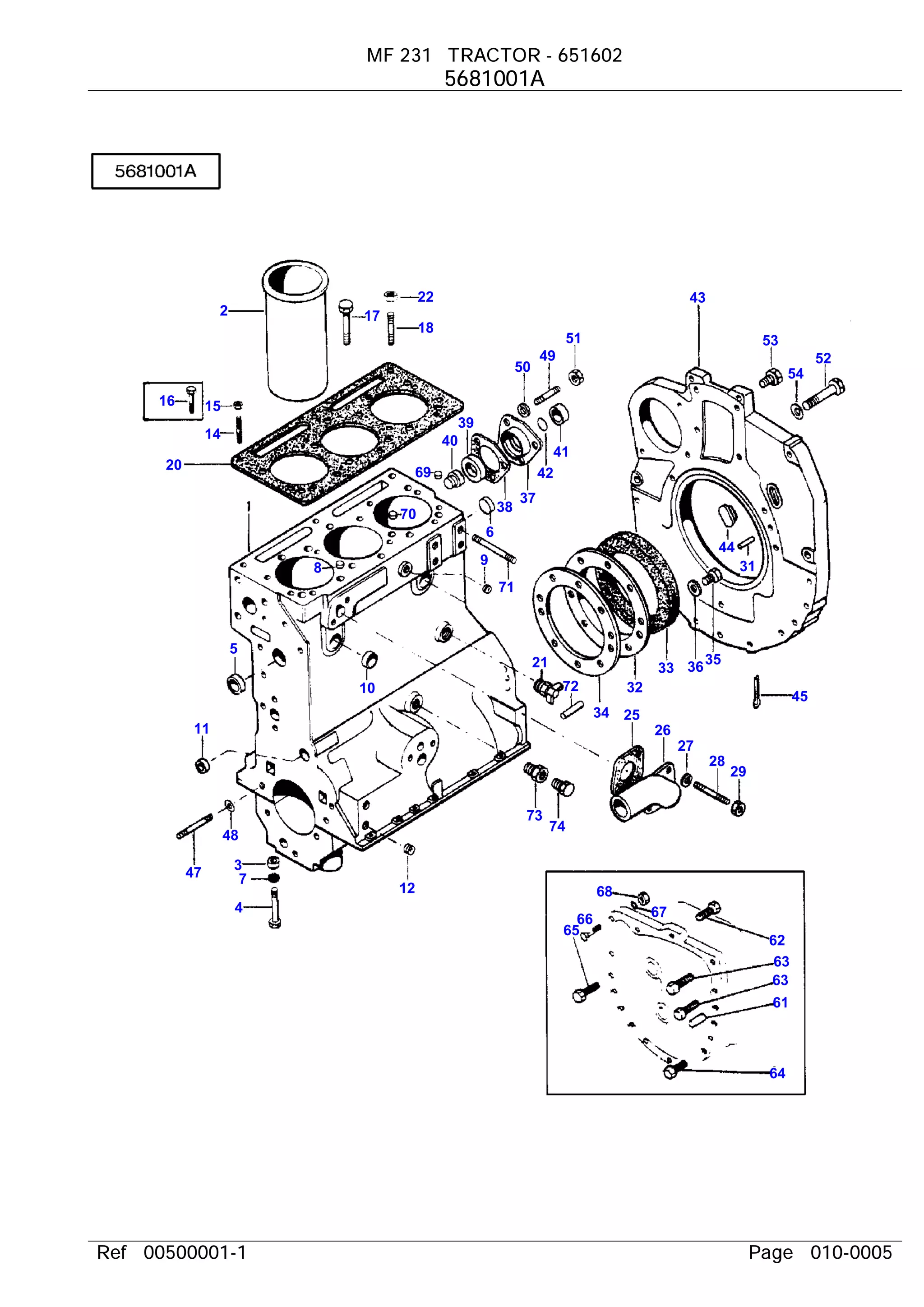
Make sure you have access to your tractor. Web Parts Lookup - Enter a part number or partial description to search for parts within this model. Web Massey Ferguson 231 TRACTOR - 651602 Cylinder Block Item Part Number 66 3019857X1 67 339369X1 68 1440204X1 69 738821M1 Qty X X X 2.
Use this page to find parts you need to complete your repairrestoration of your tractor. Web About the Massey Ferguson 231. Enter your Massey Ferguson model number below.
Did you find a good deal and buy the Massey Ferguson. Web Massey Ferguson 231S TRACTORS TURKEY Service Parts Catalogue Manual Part Number 1637379 Massey Ferguson 231S 241 TRACTORS TURKEY -. Click the Search Button to See More Results.
20D 20E 30E Massey Ferguson - Fits. Web Exploded Parts Diagrams for Massey Ferguson. Whether it is a vintage or a modern.
Parts lookup for Massey Ferguson. Massey Ferguson started producing the 231 Tractor in 1989 and continued until 1999. They were produced until 2003.
148525 and up 231 Ursus 240P Israel Poland 250 Used with. In 1999 the very first Massey Ferguson 231S Tractors went out. Web About the Massey Ferguson 231S.
We deliver the dependability you can rely on with the productivity youve come to expect.
Bush Hog M346 Mid Mount Loader Parts M346 Mid Mount Loader Mounting Bracket Kit P N 50046405 Used On Massey Ferguson 431 2wd 461 2wd Tractors Parts List And Diagram
Bush Hog M300 Mid Mount Loader Parts M300 Mid Mount Loader Hydraulic Adaptor Kit P N 50044622 Used With Massey Ferguson 240 243 253 263 Tractors Parts List And Diagram
Massey Ferguson 202 With Z134 Continental Wiring Diagram Electronics Projects Diy Electronics Projects Contemporary Wine Racks
Massey Ferguson 3080 3070 Gearbox Mainshaft
Massey Ferguson Eu Parts Books Service Manuals 2020
Massey Ferguson 231 S Tractors Turkey Service Parts Catalogue Manua
Massey Ferguson 231 Tractor Service Parts Catalogue Manual Part Numb
Massey Ferguson 231 Tractor Service Parts Catalogue Manual Part Numb
Massey Ferguson 231 S Tractors Turkey Service Parts Catalogue Manua
Massey Ferguson Tractors Service Manual Repair 230 231 231s 235 240 241 243 245 Ebay
Massey Ferguson 231 S Tractors Turkey Service Parts Catalogue Manua
Massey Ferguson 231 Parts
Agco Massey Ferguson Us Parts Catalog Workshop Manual 09 2020
Amazon Com 897237m94 New Left Hand Lh Spindle Fits Massey Ferguson 240 240s 135 U K 231s Patio Lawn Garden
Massey Ferguson 231 S Tractors Turkey Service Parts Catalogue Manua
Massey Ferguson 231 Tractor Parts Manual
Amazon Com New Light Switch Compatible With Replacement For Massey Ferguson 231 231s 240n 240p 240s 25 Indust Const 253 253 Uk 1668816m2 3029666m1 Patio Lawn Garden